Skip to content Skip to sidebar Skip to footer

31+ Pile Cap Abutment Images

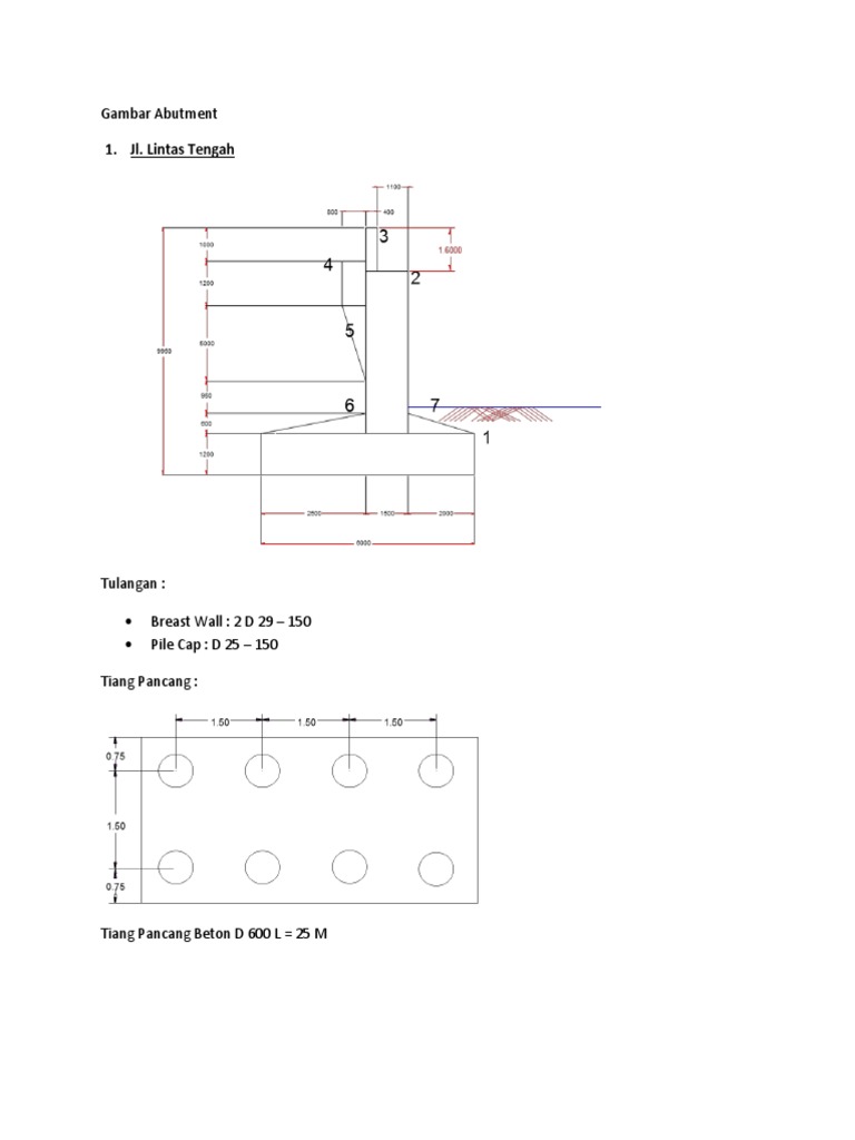
31+ Pile Cap Abutment Images. Perencanaan pile cap harus dibuat cukup besar dan aman. Ft documents similar to pile cap design at abutment.

Model Of The Proposed Abutment Foundation By Using Pile And Cap Problem Download Scientific Diagram
Model Of The Proposed Abutment Foundation By Using Pile And Cap Problem Download Scientific Diagram from www.researchgate.net
Pile caps are designed using the principle of bending theory or using the truss analogy. Fc = max(fc1, fc2) = 255.7 kn maximum tension within pile cap; Pile cap, loads and dimensions.

Alibaba.com offers 809 pile cap formwork products.

Pile cap is a structure which is built when single pile will not be able to take the load of the overlying structure this is generally built when there are some restrictions on the size of a single pile pile cap. Ft documents similar to pile cap design at abutment. A) abutment a membutuhkan 5 buah bored pile. Maximum compression within pile cap;


Post a Comment for "31+ Pile Cap Abutment Images"